Site internet français
03 23 53 55 92
52891
En stock
Garantie Satisfait ou Remboursé
Expédition sous 48 / 72h
Livraison gratuite à partir de 90€
4x sans frais
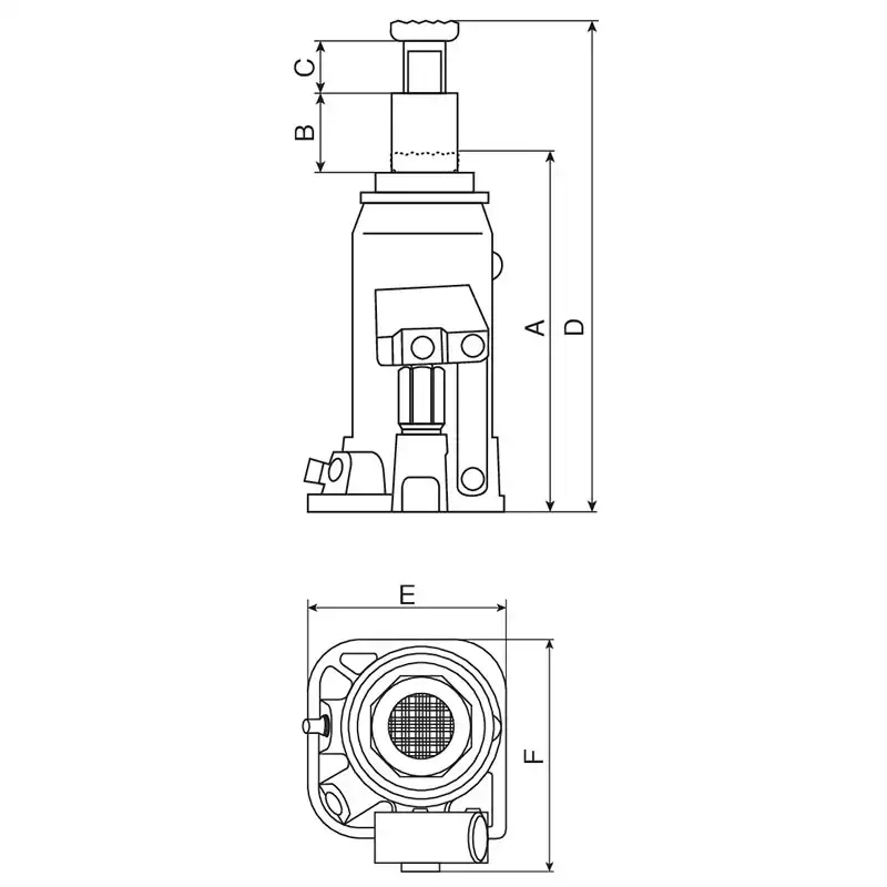
Cric bouteille hydraulique base soudée STILKER avec un corps en fonte, une construction robuste et une valve de sécurité contre les surcharges.
Caractéristiques :
Marque : STILKER
Force de travail : 20 Tonnes
A : 217 mm
B : 130 mm
C : 60 mm
D : 407 mm
E : 144 mm
F : 152 mm
Poids : 9.8 Kg
Le cric bouteille hydraulique STILKER, doté d’une base soudée et d’un corps en fonte, allie durabilité et efficacité pour les travaux intensifs. Conçu pour supporter jusqu’à 20 tonnes, cet outil est parfait pour les interventions exigeantes sur véhicules lourds ou machines industrielles.
Ce modèle offre une construction robuste, garantissant une utilisation prolongée sans compromis sur la performance. La présence d’une valve de sécurité intégrée protège contre les surcharges, prévenant ainsi tout incident et assurant une utilisation sécurisée.
Compact et pratique, le cric STILKER permet un levage facile grâce à ses dimensions optimisées. Il est idéal pour les garages, chantiers ou ateliers, offrant une capacité de levage exceptionnelle combinée à une grande fiabilité.
Ce cric bouteille STILKER garantit une manutention efficace et sécurisée, répondant aux besoins des professionnels exigeants pour des levages lourds et précis.



