0

-5% pour toute nouvelle commande avec le code promo : . Offre valable jusqu'au 21/09/2025 inclus.
 

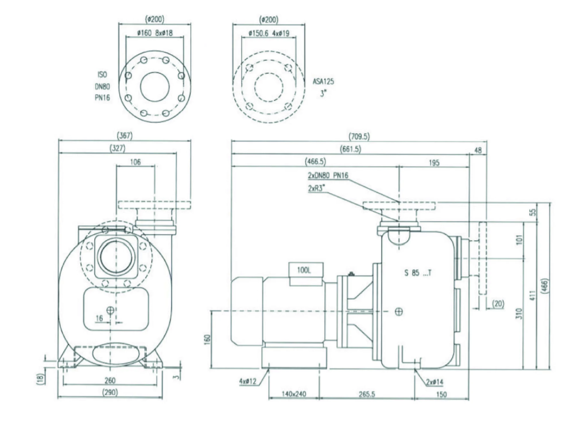
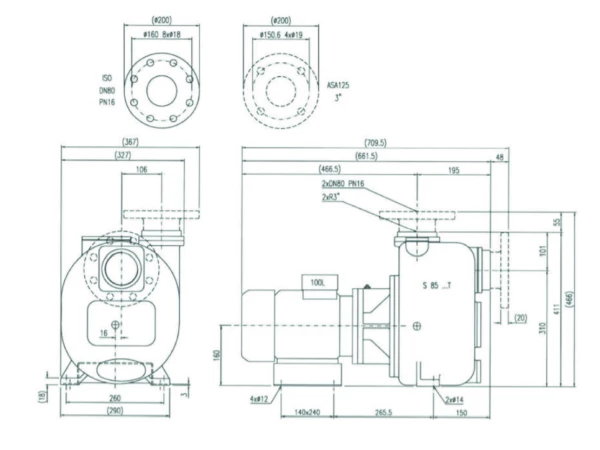
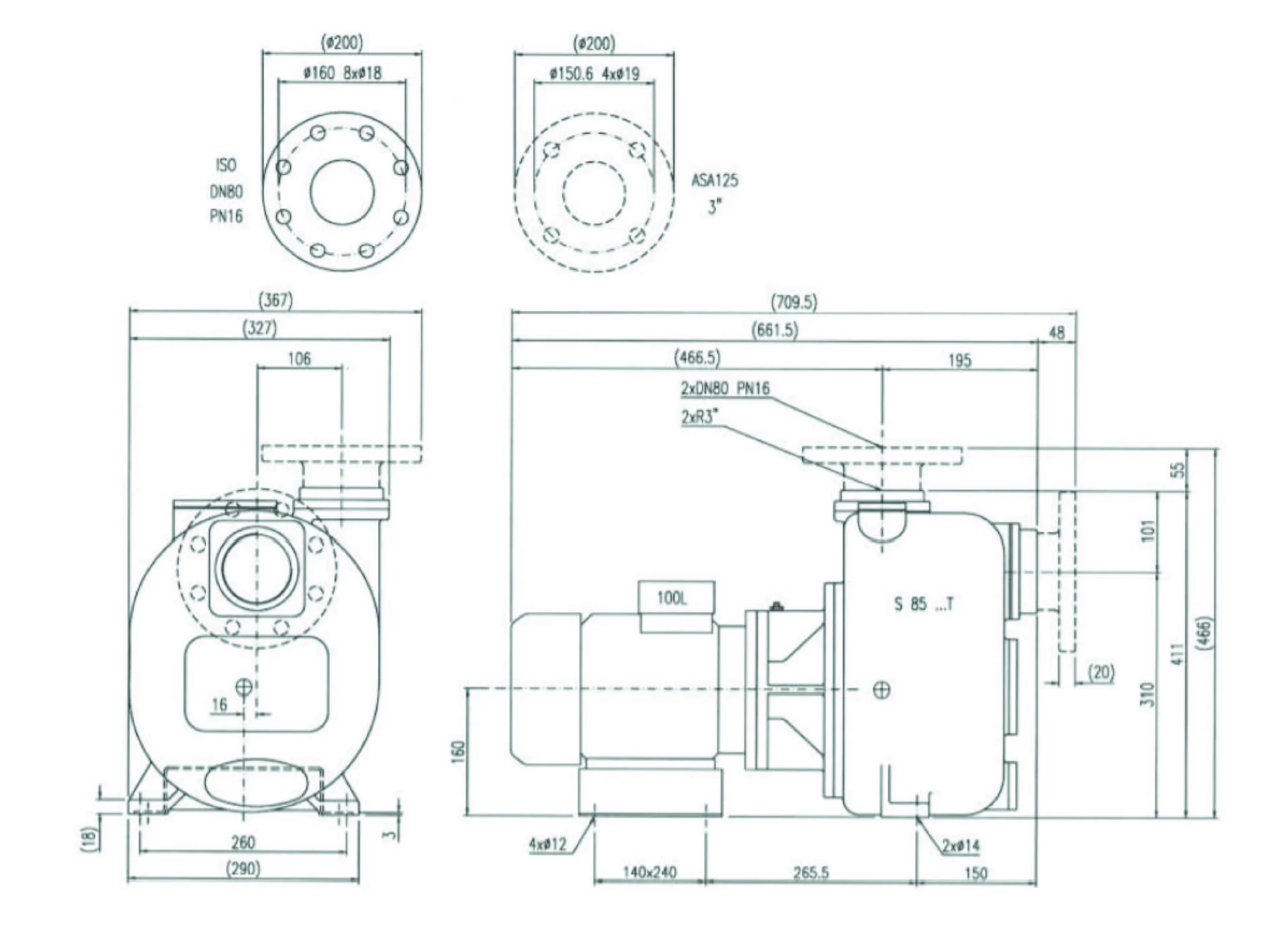
Pompe électrique S85 S/Chariot

817293

En stock

Prix HT 6446,70Prix TTC 7736,04

Garantie Satisfait ou Remboursé

Expédition sous 48 / 72h

Livraison gratuite à partir de 90€

virement bancaire
Compresseur d'air à piston 3 CV triphasé 100 litres ABAC
logo-mandat-administratif

4x sans frais

La pompe électrique S85 S/Chariot de Renson est une solution idéale pour le pompage efficace et sécurisé de divers liquides dans des environnements industriels ou de chantier.

Caractéristiques :

– Passage libre jusqu’à 45 mm
– Puissance moteur de : 4 kW
– Modèle : S 85
– Diamètre : 90
– Orifice de refoulement DN : 90 mm
– Orifice d’aspiration DN : 90

Description technique :

– Pompe auto-amorçante à turbine ouverte avec des canaux permettant le passage de corps solides de grand diamètre
– Pompe munie de grandes portes d’inspection facilement ouvrables
– Lors de l’auto-amorçage, l’air est aspiré dans la pompe par la dépression que crée la turbine en mouvement et elle s’émulsionne avec le
liquide contenu dans le corps de la pompe
– L’émulsion air-liquide est poussée dans la chambre d’amorçage où l’air, plus léger, se sépare et sort du tube de refoulement
– Le liquide, plus lourd, retombe et retourne en circulation
– Une fois l’air intégralement chassé de la conduite d’aspiration, la pompe s’amorce et fonctionne comme une pompe centrifuge normale.

Avantages :
– Grande résistance aux liquides abrasifs
– Avec accessoires
– Amorçage automatique rapide

Cadre d’utilisation : 
• Cette pompe convient particulièrement bien pour liquides corrosifs ayant une viscosité maximale de : 50mm2/s.
Les pompes peuvent être placées à proximité du liquide à pomper.
• Le pompage peut se faire jusqu’à une profondeur de : 5 mètres

+ Kit d’aspiration pour pompe  254.16 euros
Composé de :

– Tuyau spiralex : diamètre 90, longueur 5 mètres
– Collier de serrage tourillon W4 inox : diamètre 98-103
– Raccord galvanise DN90 male avec manchon cannele et crochet

  1. Pompe électrique S85 S

La pompe électrique S85 S/Chariot de Renson est la solution parfaite pour le pompage sécurisé et efficace de divers liquides.

Son passage libre est de 45 mm, ce qui permet de traiter des liquides contenant des solides.

Doté d’un moteur puissant de 4 kW, ce modèle S 85 a un diamètre de 90 mm pour l’orifice de refoulement et d’aspiration.

Cette pompe auto-amorçante utilise une turbine ouverte, favorisant le passage de corps solides de grand diamètre.

Les grandes portes d’inspection permettent un accès facile pour l’entretien.

Lors de l’auto-amorçage, l’air est aspiré par la turbine en mouvement, créant une émulsion avec le liquide.

Garantie : 2 ans Délai de livraison: 5 Semaines SAV aller et retour gratuit (Voir nos conditions ici) Satisfait ou remboursé (Voir nos conditions ici) Une question sur ce produit ? 03 23 53 55 92 Côut d’appel local lun.-ven. 8h30-12h et 13h30-18h30

Nos clients aiment aussi

Pompe hydro pour fluide non agressif FS-98E/11T

Pompe hydro pour fluide non agressif FS-98E/11T

FS98-E/11T / 20101164

717,25 TTC

597,71 HT

Pompe hydro pour fluide non agressif FS-98D/8T

Pompe hydro pour fluide non agressif FS-98D/8T

Référence : GTFS-98D/8T

639,80 TTC

533,17 HT

Pompe de relevage VORTEX 111008

Pompe de relevage VORTEX 111008

111008

3110,80 TTC

2592,33 HT

0
    0
    Votre panier
    Votre panier est videRetour à la Boutique