0

-5% pour toute nouvelle commande avec le code promo : . Offre valable jusqu'au 21/09/2025 inclus.
 

Kit ventilateur triphasé RENSON

812609

En stock

Prix HT 657,40Prix TTC 788,88

Garantie Satisfait ou Remboursé

Expédition sous 48 / 72h

Livraison gratuite à partir de 90€

virement bancaire
Convertisseurs haute fréquence à protection thermique NW0588F
logo-mandat-administratif

4x sans frais

Améliorez le refroidissement de vos équipements industriels grâce à notre kit ventilateur triphasé performant et durable. Facile à installer, il assure une efficacité énergétique optimale !

Caractéristiques :
Marque : RENSON
Tension : 380 V
Puissance : 246 W
Poussée : 1,79 Kgf
Vitesse de rotation : 1450 tr/min
Débit d’air : 9000 m3/
Matière : Plastique
Niveau sonore : 64 dB(A)
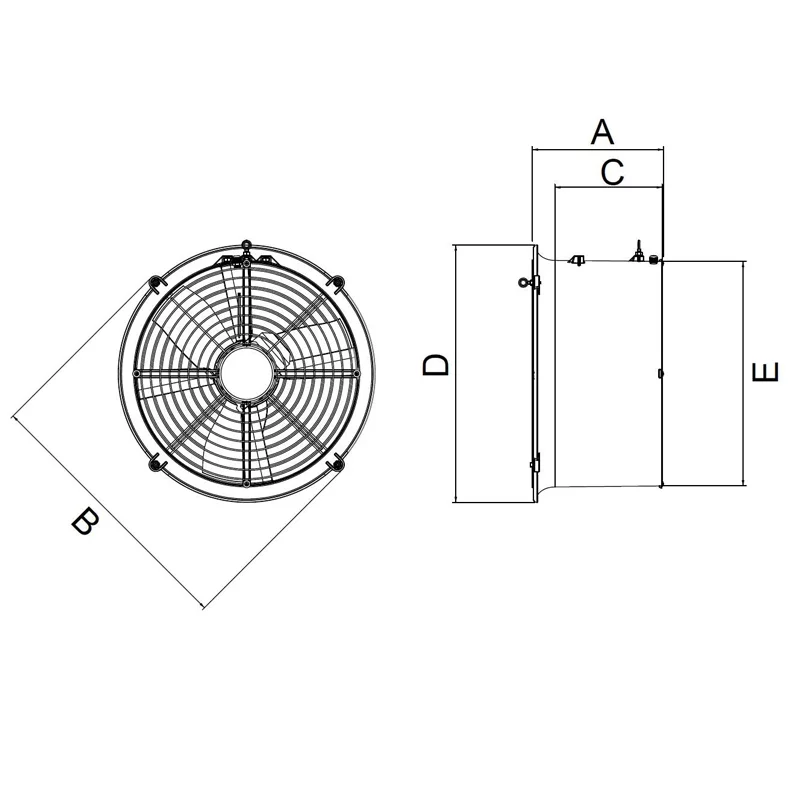
Dimension A : 306 mm
Dimension B : 632 mm
Dimension C : 251 mm
Dimension D : 600 mm
Dimension E : 523 mm
Poids : 12 Kg

Description technique :
Nos kits de ventilateurs ultra-performants permettent d’augmenter la circulation et la distribution de l’air dans vos bâtiments d’élevage.
Equipés d’un kit de commande pouvant contrôler jusqu’à 6 ventilateurs en simultané, nos ventilateurs sont une solution fiable pour le bien-être de vos animaux.

Avantages :
– Confort d’utilisation grâce à son faible niveau sonore
– Kit complet prêt à installer
– Pratique à installer de part son faible poids et ses crochets 3 de suspension
– Sécuritaire avec ses 2 grilles de protection

Informations complémentaires :
Kit de ventilation pour salle de traite composé de :
– 1 ventilateur en ABS (plastique avec une forte concentration de fibres de verre)
– 1 hélice 3 pâles avec conception spéciale de la forme de la turbine qui maximise le brassage d’air fabriquée avec une concentration élevée en fibres de verre
– Grilles de sécurité avant et arrière en acier galvanisé
– Moteur à entrainement direct triphasé
– 1 disjoncteur magnétothermique
– 12 m de chaîne en acier galvanisé
– 3 manilles en acier galvanisé
– 3 presse-étoupes

Cadre d’utilisation :
– Température ambiante : entre 0°C et 40°C
– Humidité relative : maximum 80%
– Altitude : maximum 1000 m au dessus du niveau de la mer
– Garantir une zone libre (ni obstacles, ni constructions) du côté de l’entrée d’air sur une distance d’au minimum 10 mètres. Ne jamais obstruer, même partiellement, l’entrée d’air
– Hauteur minimale d’installation : 2.7 mètres

Consignes d’entretien :
– nettoyage hebdomadaire du ventilateur
– contrôle général et serrage des vis trimestriel

Le kit ventilateur triphasé RENSON assure une ventilation efficace pour les environnements professionnels, industriels ou agricoles. Ainsi ce système est conçu pour garantir un débit d’air élevé, fiable et constant, même en fonctionnement prolongé. En bref il convient parfaitement aux espaces qui nécessitent une circulation d’air maîtrisée.

Ainsi ce ventilateur fonctionne sous une tension de 380 V et possède une puissance de 246 W. En bref le kit ventilateur triphasé RENSON est la solution idéale pour optimiser la qualité de l’air dans vos installations. Il combine performance, longévité et simplicité. Choisissez ce kit pour une ventilation sans compromis, en toute sécurité.

En bref le kit ventilateur triphasé RENSON est la solution idéale pour optimiser la qualité de l’air dans vos installations. Ainsi il combine performance, longévité et simplicité. Choisissez ce kit pour une ventilation sans compromis, en toute sécurité.

  • Moteur triphasé puissant et économe

  • Haut débit d’air pour une ventilation optimale

  • Installation simple et rapide

  • Kit complet prêt à monter

  • Structure solide et durable

  • Faible niveau sonore

  • Idéal pour locaux techniques, ateliers, hangars ou serres

Ainsi conçu avec des matériaux résistants, le kit RENSON est durable et facile à monter. Il supporte les contraintes mécaniques, thermiques et environnementales. En bref son design compact permet une intégration rapide dans de nombreux systèmes d’aération existants.

Garantie : 1 an

 Délai de livraison : 72 heures

 SAV retour gratuit (Voir nos conditions ici)

 Satisfait ou remboursé (Voir nos conditions ici)

Nos clients aiment aussi

Chauffage aérotherme électrique 230 V DRAKKAR

-8%

Chauffage aérotherme électrique 230 V DRAKKAR

11025

129,48 TTC

Le prix initial était : 116,83€.Le prix actuel est : 107,90€. HT

Parasol chauffant gaz 3/8KW avec allumage piezo

Parasol chauffant gaz 3/8KW avec allumage piezo

11070

514,40 TTC

428,67 HT

Chauffage fioul 25 kW THERMOBILE

Chauffage fioul 25 kW THERMOBILE

TA 22

1659,20 TTC

1382,67 HT

0
    0
    Votre panier
    Votre panier est videRetour à la Boutique